Join Venus Lab Inner Lens for exclusive
science and product updates.
When you sign up for our insider updates, we’ll handle your
personal information with care and in accordance with our
privacy policy.


High-Speed Control Solutions for All-Band Fiber Systems
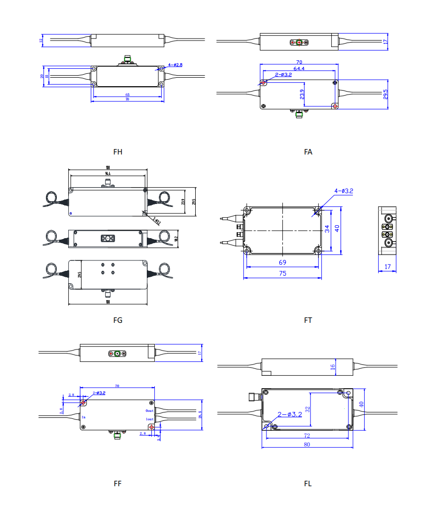
To meet diverse application needs, the VL-FCAOM is categorized into four sub-series: