

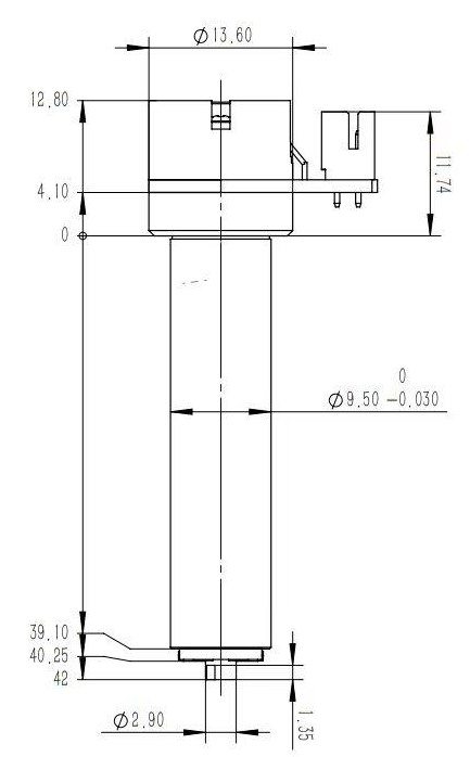
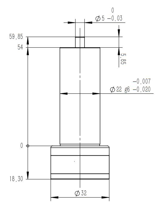
A universal galvanometer scanner series covering scenarios from microscopic imaging to high-power welding. Offers a full range of aperture options from 3mm to 20mm, combining rapid response with industrial-grade load stability.
The VenusLab™ High-Performance Galvo Series is engineered to meet the most demanding beam steering requirements.
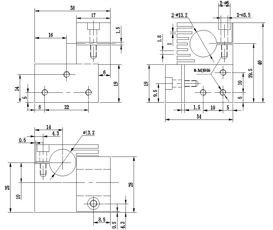
The series is divided into two camps: Type-S (Speed) for 3-7mm small apertures, pursuing 0.1ms extreme speed, ideal for laser display and bio-imaging; Type-P (Power) for 10-20mm large apertures, optimized for motor torque and thermal design, capable of driving large mirrors under high-power laser loads while maintaining dynamic performance.
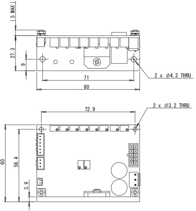
Driver Protocol: All series support analog ± 5V or ± 10V input, compatible with standard XY2-100 protocol.
Power Requirements: Recommended ± 15V for Type-S, and ± 24V for Type-P for optimal torque output.