Join Venus Lab Inner Lens for exclusive
science and product updates.
When you sign up for our insider updates, we’ll handle your
personal information with care and in accordance with our
privacy policy.


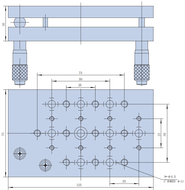
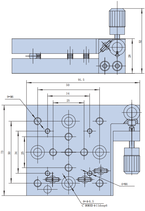
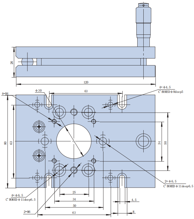
High-Rigidity Precision Angular Adjustment Stage
The VL-TS series is an adjustment unit specifically designed to solve the "non-horizontal" problem in optical paths. It abandons the complex shim adjustment method and utilizes a high-precision pivot structure, allowing users to intuitively and quantitatively correct the pitch and yaw angles of optical components. Whether it is a heavy-duty laser or a micro prism, VL-TS can provide stable support and extremely high position retention, making it a key component for constructing a perfect parallel optical path.