Join Venus Lab Inner Lens for exclusive
science and product updates.
When you sign up for our insider updates, we’ll handle your
personal information with care and in accordance with our
privacy policy.


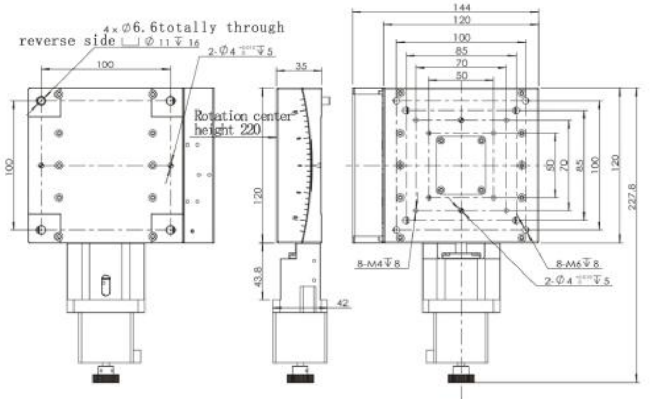
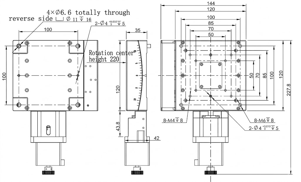
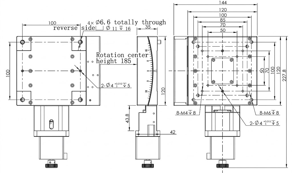
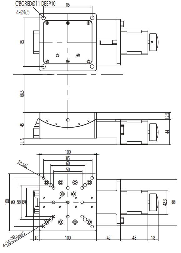
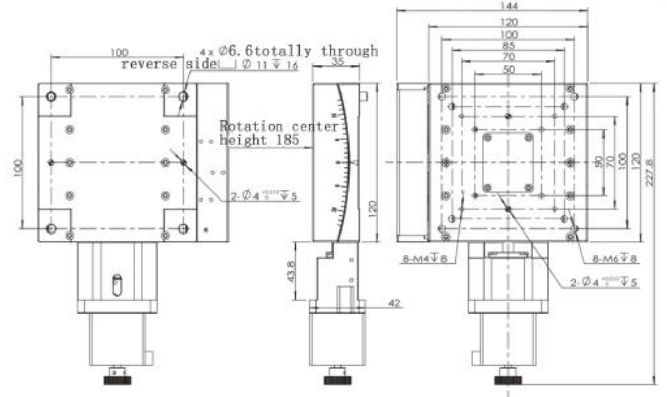
Zero backlash high rigidity precision angular position stage
The VL-BSG Stage is VenusLab's flagship product in the field of precision angle adjustment. This series, through the golden combination of "ball screw + five-phase stepper motor", solves the problems of precision drift and wear that ordinary angle stages are prone to encounter during high-frequency reciprocating movements. Its excellent rigid structural design allows users to easily achieve high-precision orthogonal two-axis confocal rotation by stacking different models, providing rock-solid support for precision optical experiments.