

Large-size high-precision electric rotary stage
φ300 large platform, 0.02° high precision, large load capacity with higher precision
Precision shaft and worm for stable operation with low noise, multi-axis expansion for wide adaptability
The VenusLab VL04RA Series-300 is a large-table electric rotary stage designed for large precision workpiece machining and high-end scientific research and testing scenarios. It features a φ300mm large-size table as its core advantage, combined with a high indexing accuracy of ≤0.02° (without subdivision), balancing large load capacity and precise angle control. The product adopts a precision-machined rotating shaft, anti-backlash worm gear, and elastic coupling design to achieve low deflection and low-noise operation. It also supports vertical and horizontal installation, multi-axis combination, and motor replacement, which can flexibly adapt to the needs of large equipment integration and customized scenarios.
Features of VL04RA Series-300
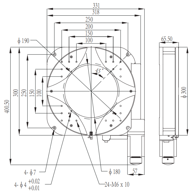
Dimension drawing of VL04RA Series-300
