

Large-tabletop high-precision electric rotary stage
VenusLab VL05RA400S is an electric rotary table designed for processing extra-large and heavy workpieces as well as integrating high-end precision equipment. Based on an extra-large table with a diameter of φ400mm, it can carry a heavy load of 450kg while achieving an extreme indexing accuracy of 0.0025° (without subdivision), meeting both the requirements of ultra-heavy load and high precision. The product adopts precision-machined bearings, anti-backlash worm gears, and an adjustable gap structure, ensuring low runout, low noise during operation, and supporting gap adjustment after long-term use to guarantee precision stability. Additionally, it is compatible with vertical and horizontal installation, multi-axis combination, and function expansion, flexibly satisfying the customized precision angle control needs of extra-large equipment.
Features of VL05RA400S
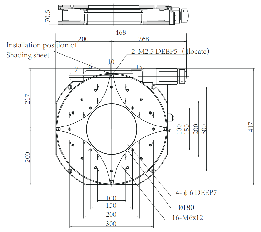
Dimension drawing of VL05RA400S
