Join Venus Lab Inner Lens for exclusive
science and product updates.
When you sign up for our insider updates, we’ll handle your
personal information with care and in accordance with our
privacy policy.





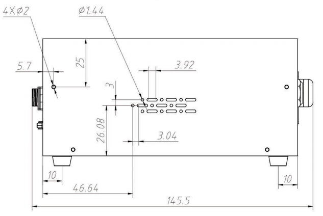
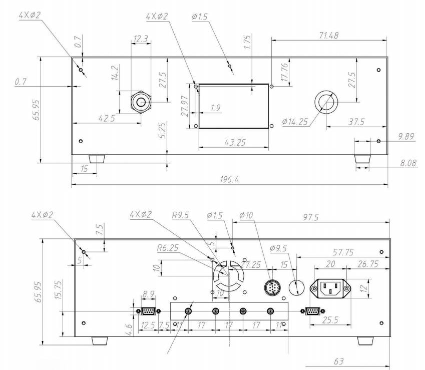
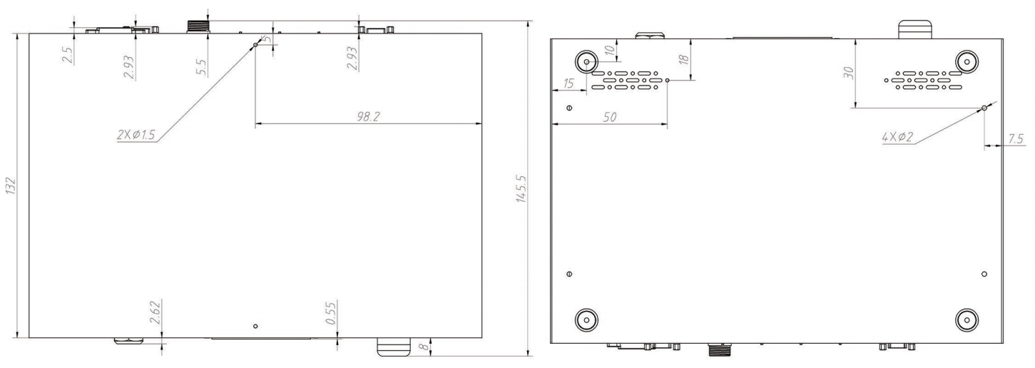
In vitro cell culture device for in-situ cell culture and real-time dynamic observation
It is equipped with an intelligent opening and closing system for the light shield under both bright field and fluorescence excitation modes, which is more conducive to long-term live cell fluorescence tracking imaging or cross in-situ imaging of bright field/fluorescence. It can be widely used in research in various fields such as cell biology, tissue engineering, biomedicine, and drug development.