Join Venus Lab Inner Lens for exclusive
science and product updates.
When you sign up for our insider updates, we’ll handle your
personal information with care and in accordance with our
privacy policy.


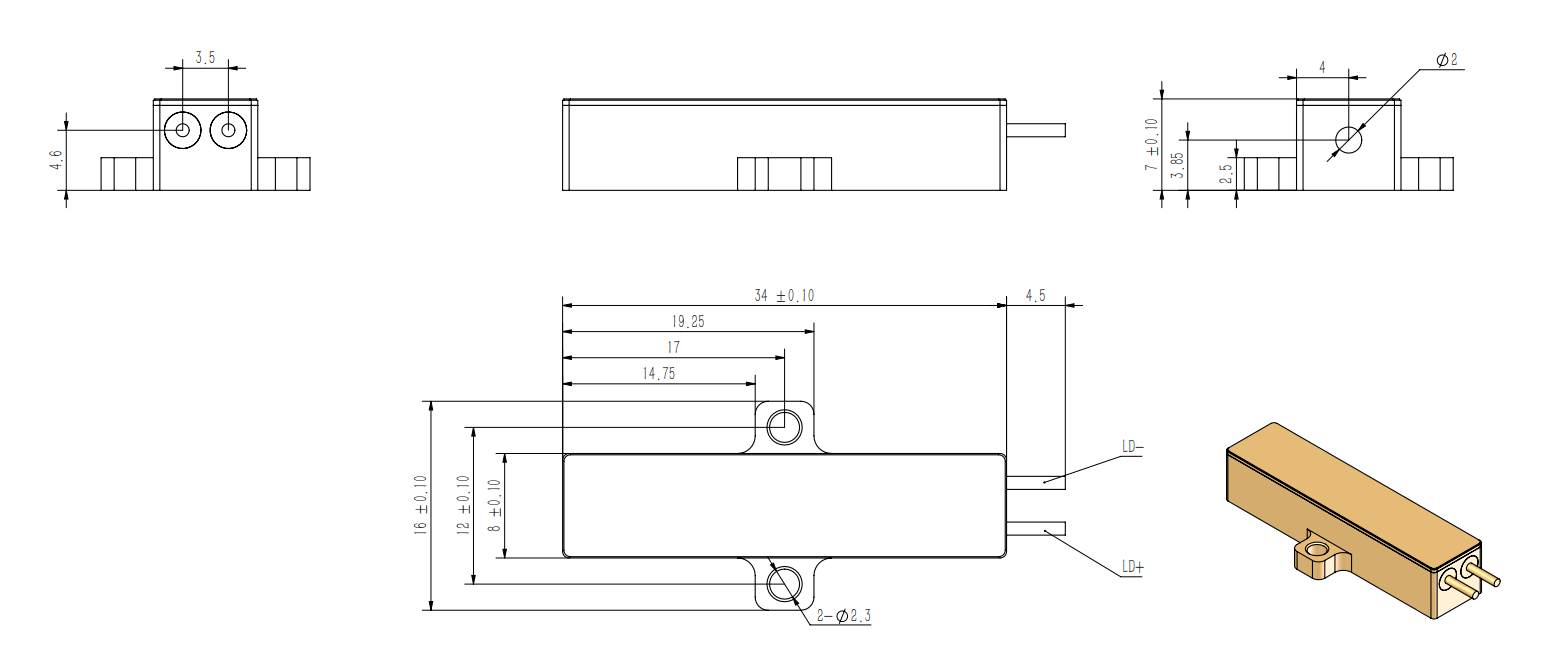
Core eye-safe laser module specially designed for precision ranging and optoelectronic system integration
The VL-ELT series consists of high-performance solid-state laser transmitter modules meticulously engineered for eye-safe sensing and ranging applications.
By utilizing Erbium-doped glass as the gain medium, this series emits at a precise 1535nm wavelength. This wavelength is situated within the absolute eye-safe spectral region, permitting safe deployment in public sectors and critical tactical scenarios.