


Long-range, high-precision, tactical-grade embedded eye-safe laser ranging core solution.
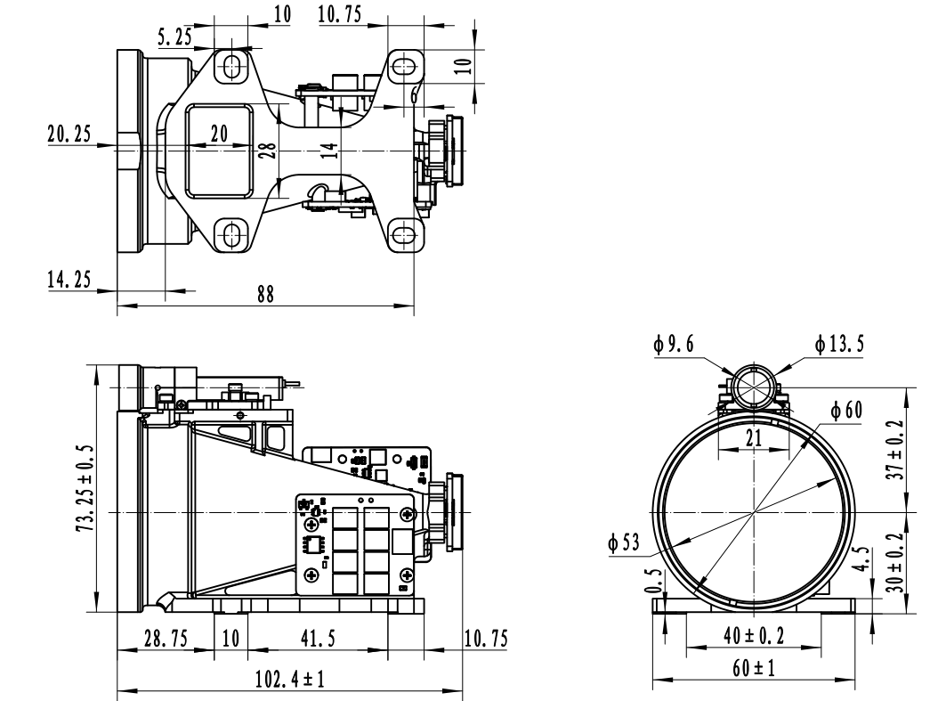
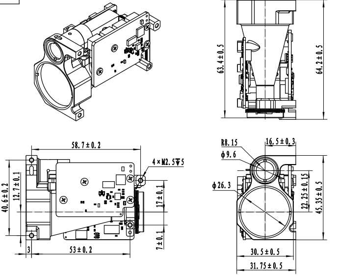
The VL-ELRF series is a premier line of laser rangefinding modules built upon independently developed 1535nm Erbium-doped glass laser technology. These modules are specifically engineered for high-performance integration in defense, security, and professional optoelectronic systems. By utilizing the single-pulse Time-of-Flight (TOF) method, the series achieves exceptional accuracy over extreme distances while maintaining a compact and lightweight form factor.
Designed to withstand harsh environments, the VL-ELRF series features Class 1 eye safety, high shock resistance, and stable performance across a broad temperature range. Whether integrated into handheld reconnaissance devices, vehicle-mounted systems, or high-end UAV gimbals, these modules provide the reliable data necessary for precision target acquisition and long-range observation.
The VL-ELRF series (1535nm Eye-safe Laser Rangefinder) is designed for a wide array of professional and tactical applications due to its long-range capabilities, high precision, and human-safe wavelength. Below are the primary application fields for this series: