Join Venus Lab Inner Lens for exclusive
science and product updates.
When you sign up for our insider updates, we’ll handle your
personal information with care and in accordance with our
privacy policy.
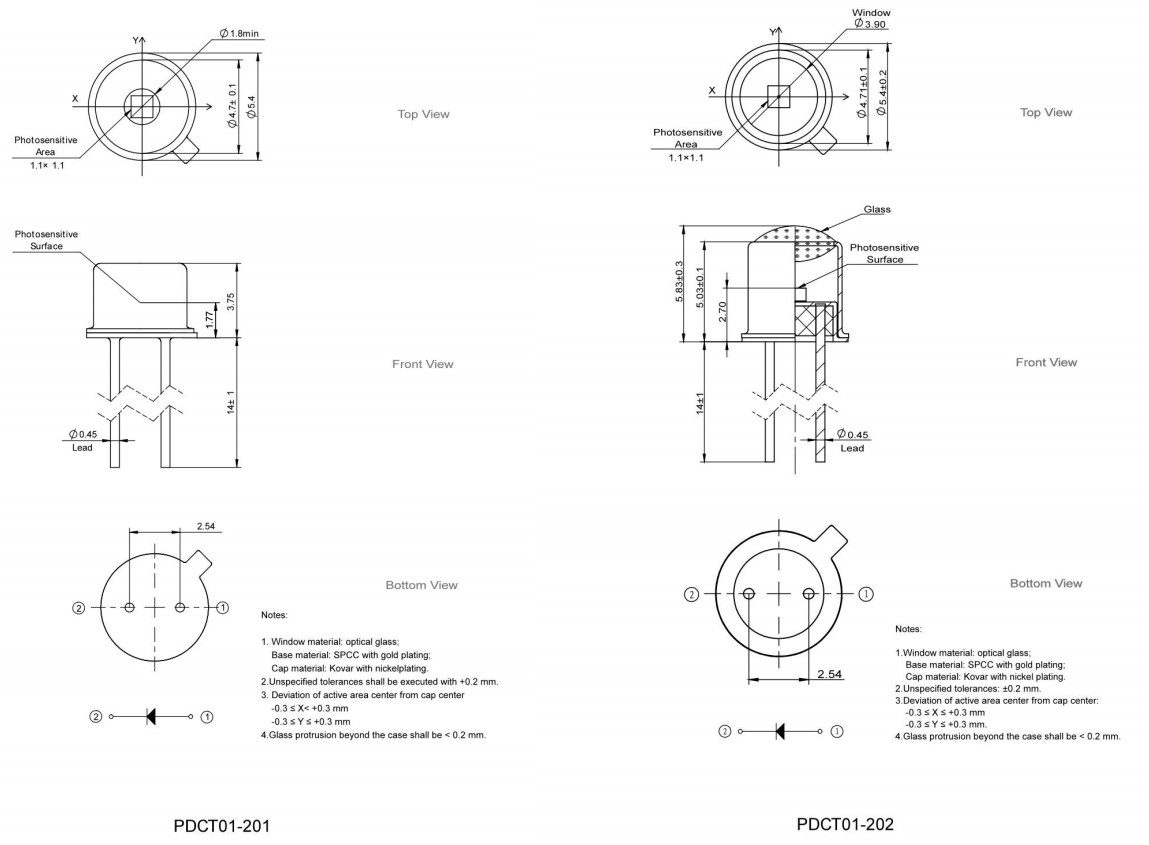
It has a spectral response range of 350~1060nm, with the advantages of extremely low dark current and low junction capacitance. It adopts TO packaging and is suitable for scenarios such as optical power detection and optical analysis equipment.
The photosensitive surface size, optical window type, and number of pins can be customized according to requirements (such as non-standard photosensitive surface sizes), flexibly meeting the installation and detection needs of different devices.








