Join Venus Lab Inner Lens for exclusive
science and product updates.
When you sign up for our insider updates, we’ll handle your
personal information with care and in accordance with our
privacy policy.


Mid-to-high-end industrial processing and precision scientific research scenarios
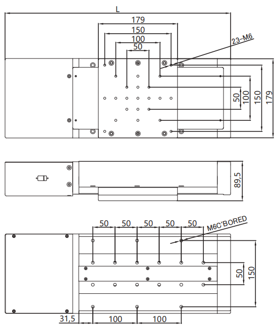
The VL-210UPTA-(50-600)H Ultra-Precision Electric Linear Stage is an electric positioning device designed specifically for high-precision experimental environments. It is suitable for a variety of applications including scientific research laboratories, semiconductor manufacturing, and optical inspection, where high demands for positioning accuracy and stability are required.
